Hello, this is Jooyoung Kim, mixing engineer and music producer.
Until a few days ago, I was planning to sell my Stam Audio SA-2A second-hand and purchase a product from a Japanese brand.
However, it didn’t sell easily, and with the sudden rise in the Japanese yen… So, I decided to modify the unit myself instead of selling it.
Identifying the Problems
Here are the issues I identified with the SA-2A:
- Dissatisfying Sound
- Excessive saturation and dull highs give the audio a muffled feel.
- Gain Parameter Adjustment
- The output volume only matches the original level when the Gain knob is significantly reduced.
- Peak Reduction Sensitivity
- Compression only activates when the Peak Reduction is turned up considerably.
- Limit and Compress Switch
- The switch works in reverse.
Initial Steps in Modification
Addressing Problems #2 and #3

- Inside the unit, I found a variable resistor labeled A100K.
- This logarithmic resistor seemed unresponsive at lower ranges.
- However, since we perceive audio in dB, it made sense to use a logarithmic curve for the Gain control.
- I decided to replace:
- Peak Reduction with a B100K (linear) resistor (ideally A200K, but it was unavailable).
- Gain with a lower resistance A50K resistor.
I placed the order for these parts and will replace them soon.
Fixing Problem #4

- The Limit/Compress switch was simple to resolve—just unscrewed it and rotated it half a turn.
Investigating Sound Quality Issues
The core problem remained the sound quality. After extensive research:

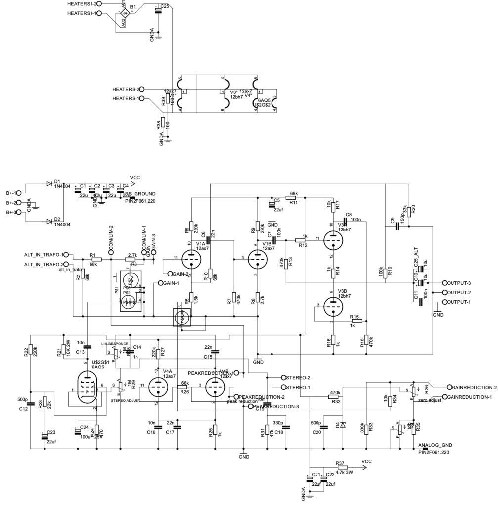
- I contacted Stam Audio for the circuit diagrams.
- I emailed Cinemag, the transformer manufacturer, to get specifications for the input/output transformers:
- Input: Cinemag CM-5722, winding ratio 1:5.
- Output: Cinemag CM-2570, winding ratio (18:2):1 = 9:1.

While considering transformer replacements (e.g., Sowter), I found several insights:
- Cinemag’s CM-5722 input transformer is already highly rated and doesn’t need replacement.
- Discussions on Gear Space suggested that tubes or the T4 cell impact the sound more than transformers.
- A post from 2016 or 2017 on Gear Space mentioned that replacing a single input tube can significantly improve sound.
- A YouTube video comparing various 12AX7 tubes on a Marshall amp highlighted sound differences between tube brands.
From this, I concluded that the JJ Electronics 12AX7 (ECC83) used in the V1 position is likely the main culprit behind the sound I dislike.
Based on the video, the JJ Electronics tube produced a tone that immediately felt off to me.
Planned Tube Replacements
I decided to replace:
- V1 Tube: JJ Electronics ECC83 with Mullard 12AX7, a sound I much prefer.
- V4 Tube: JJ Electronics ECC83 with another Mullard 12AX7 for consistency.
However, due to unexpected expenses this month (e.g., AES membership fees, domestic conference fees, paper review fees, and repairs for another compressor), I’ll postpone the tube replacement until next month.
Side Discovery: DIY Compressors
While researching, I stumbled across a site selling DIY cases and PCBs.

While there are plenty of LA-2A clones on the market, the PYE compressor clone caught my eye.
- PWM-based compressors are rare, and even the clones are scarce.
- The original units are prohibitively expensive.
Although the schematics look complex and sourcing components would require significant time and money, I feel deeply drawn to this project. Maybe someday, with enough budget, I’ll take it on.
For now, this concludes my record of the SA-2A before modification. Once I replace the tubes and complete further changes, I’ll share my experiences and the sound improvements in a follow-up post.
See you in the next update! 😊
One thought on “Record Before Modifying the Stam Audio SA-2A”